01 通化东宝 胰岛素龙头企业,致力于糖尿病治疗领域的研发 通化东宝药业股份有限公司始建于1985年12月,1992年11月改制为股份有限公司,1994年在上海证券交易所挂牌上市,是以中成药、化学药及生物制品为主的国内著名的药品研发、生产及销售企业和独角兽企业。公司以“坚持自主创新,创造世界品牌”为发展理念,组建科技研发团队,致力于糖尿病治疗领域的研发,成功研制出我国第一支重组人胰岛素,公司第三代胰岛素目前已经成为主要治疗用药,第四代胰岛素第一个获得临床许可并进入临床试验阶段。2021年公司产值36亿元,科研人员388人以上,有着很好的发展潜质和美好的未来。 在数字化转型的大潮和东宝发展中,随着企业经营的需求,责任组织逐渐增多,单一的组织管理模式已经无法满足企业发展的需要,同时营销环境越来越复杂,胰岛素的研发与国产化替代,将东宝推到了一个高速发展的阶段。 作为胰岛素龙头企业,如何连接生态上下游,并对终端客户提供有价值的服务?最后如何在移动等新技术的支持下,进一步提升对内对外的服务能力,激活组织,这些问题,构成了通化东宝对于未来发展路径的思考。
02 企业洞察 四大阵痛 01 统管之痛 随着通化东宝的快速发展,原有的浪潮ERP系统难以满足管理需求,其单帐套的业务处理难以实现集团对科目体系、会计核算政策、报表体系、重要基础资料等的统一把控。新系统必须能够支撑业务的快速发展,并在一个系统中实现集团对业务及财务的统一管控。集团之间的业务频繁,需要一个系统满足组织间业务管理,处理组织间结算业务。 02 链接之痛 通化东宝之前信息化都是面向部门需求的建设项目,导致链接不全面、不稳定、不高效;导致口径不一致、信息不对称、数据不流通,知识不共享。需要一个系统能完美集成异构系统,实现集团各种信息的互联互通。集团与事业部之间;分子公司之间,部门与部门之间,企业与上下游、合作伙伴之间实现高效协同。 03 效率之痛 原友商系统为核心的ERP只解决了数据记录、流转和财务的问题,没有解决效率提升的问题,企业更加关注业务过程管控,全面运营效率提升是企业管理痛点。
04 数据之痛 由于系统都是各种信息孤岛,并且一部分业务还游离在系统之外,如成本核算、流向数据、计划管理、预算、HR管理、设备管理等,导致数据烟囱林立,没有形成全面的数据链和数据网,对数据的挖掘和应用不够。管理成无法形成横向有效的数据分析。
03 项目目标 01 结合企业战略需求构建新模式 以通化东宝未来战略发展要求,通过工业互联网技术构建以客户为中心新模式打通销研产;通过高效、及时、准确交单模式快速占领市场,通过精准服务客户体系,增加客户粘度,挖掘潜在商机,拓展市场。整合营销管理。
02 股份公司财务统管,实现统一平台 构建股份公司统管平台,提升股份公司数据分析效率及准确性。通过研产销人财物过程管理,对资金、预算、发票云、多组织管理,提升财务管控能力。
03 重构价值链,整体设计 从价值角度构建一个覆盖整个生产经营活动的数据平台,实现研发、生产、采购、销售、营销、财务核算等流程的价值最大化,并实现业务生态延伸,实现采购统采服务平台的实现。 04 深化管控、智能赋能 依照上市公司内控要求,实现业务流程系统控制,实现业务流程化,流程标准化,标准制度化,制度规范化,规范信息化。通过优化业务流程实现:价格管里、逾期管理、信用管控、库龄管理、预警管理、移动审批等的管控点。 05 提升业务效率,构建集团分析平台 结合流程优化,通过移动端审批提升合同审批、费用报销审批、价格审批、逾期超信用审批等重点环节的审批速度,并且针对不同层级推送日报表。结合数据统一平台的构建,形成集团层级的分析体系,统一分析数据源,快速准确形成决策依据。
04 应用价值 强化企业运营管理,全流程精细化协同 构建通化东宝数字化转型蓝图 基于上述需求,通化东宝需要一套以ERP为核心的,新一代成熟的信息系统,将财务,供应链、生产、计划、设备、HR、预算等功能集成,并为后续医药产业升级智能制造项目对接MES、SCADA、自动化设备,进行有效集成,通过集团管控型平台的建设,实现企业运营管控,流程优化,多数据多平台的有效整合,提升数字化场景的应用为核心,强化企业内控管理,行业生态协同管理、对业务活动进行有效监控,实现数据共享,流程优化,提升决策能力,为企业的绩效考核和经营决策提供有利支持,不断提升企业管理水平。形成7大核心数字化应用场景。
01 数字化供应链协同
通化东宝药业身处医药制造行业,本身行业对法律法规的要求就十分地高,同时作为上市公司内部控制的要求,对公司管控提出了更高的要求,尤其对采购销售仓库的业务过程管控,将法律法规以及体系文件管控点全部纳入到业务流程中,通过ERP将采购到销售过程中的客户、供应商的资质管控,入库检验管控,价格管控信用以及逾期管控极大的提升公司管控能力,从源头控制原辅料的质量保证,确保客户供货及时性服务好客户的同时,加强事前的销售订单的管控,规避后续销售风险,提升企业盈利能力。销售内勤可以快速锁定客户所需商品的生产情况,发货计划,到料情况,大大提高了企业与企业之间的沟通效率“EPR系统中信息技术的应用,大大提高了供应链协同运行效率,让内部部门和外部生态伙伴获得优质高效服务享受数字化服务体验。”通化东宝ERP系统负责人马鹏飞讲到,东宝的信息化建设也为客户提供了更优质的服务。 02 数字化流向管理
目前越来越多企业发现了构建全新商务体系的重要性—— “商务是销售的生命”,终端流向数据是医药企业最为核心和基础的数据,是企业运营的根基,也是企业的市场发展与扩张的重要引擎。通化东宝药业营销精细化管理,首先是过程管理精细化,其次是各种结果的分标签管理。通过流向数据颗粒度管理,深化商务体系中蕴含的力量与其给企业带来的内生性价值。东宝之前都是手工统计渠道流向,处理不及时以及上报周期过长、外部大数据不够完整,并且数据正确性难以保证,通过系统流向管控,实现自动化流向模板申报,系统进行异名清洗,通过去重校验、进出校验、库存校验,实现串货管控,区域存销管控、终端流失分析、产品追溯,快速提高企业反应能力。
03 数字化计划管理 随着市场环境的变化,企业生产品种品规越来越细化,生产计划和生产效益最大化的优化已然是不可避免的趋势,但一味的专注精细化则牺牲的是规模化生产带来的批量化效益。通化东宝新在满足品规的前提下,优化规模化生产节奏,将生产计划与年度预算,月度预测,生产产能释放、安全库存等因素进行协同规划,形成MPS和MRP、预测冲销多模式的计划方案,计划部门每月通过年度预算和月度预测形成预测单,经过MPS计算调整产能释放品规,通过预测冲销和MRP计算形成采购需求以及委加计划,然后进行集中排产,极大的提升了生产效率,减少了不必要频繁换线浪费现象。 04 数字化质量管理 新版药品经营质量管理规范对医药流通企业的质量管理、经营行为提出更高规范要求,企业在药品采购、储存、销售、运输等环节采取有效的质量控制措施,确保药品质量。GSP所强调的各种行为规范与ERP日常管理关系密切。东宝药业原GSP系统与ERP系统数据割裂,无法形成有效集团管控模式,管控点流于人治。通过星空GSP系统,建立统一的业务基础数据形成标准化。提升物料在流转过程中的准确性,数据共享复用与交互;同时实现了流程、记录、报表的统一,实现数据汇总分析,为企业提供准确、及时的记录数据支持。满足企业在GSP业务流程控制需求,帮助东宝建立以批号为基础的药品追溯体系,完善质量管理体系建设。通过系统验证、数据共享,在合规、透明基础上,利用新的信息化技术提高药品生产、流通效率,满足数据完整性要求。
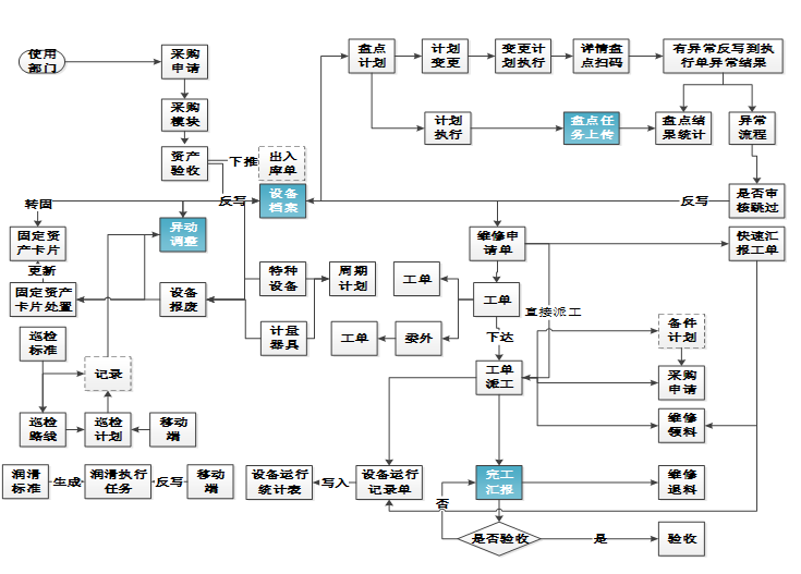
05 数字化设备管理
通化东宝身处医药制造行业,本身生产过程也属于重资产行业,之前设备管理和财务固定资产管理分离,认定范围、管理颗粒度均不一致,导致财务和业务管理形成部门墙,并且设备维修、保养全部线下记录,无法提供有效分析数据。通过星空设备管理,实现了设备的全生命周期管理从设备的申购、采购、验收、入库到领用、保养、维修、巡检、调拨、折旧、报废等各个环节都实现了全生命周期的精细化动态管理。对设备的状态、维修、巡检、保养、备件等情况进行统计分析,让设备管理人员可以统筹掌握所有设备的详细情况,为购置计划、设备调配提供科学的数据支持。根据保养方案,系统定期生成周期性的保养任务,减少设备运营风险和成本。 06 数字化移动审批管理
东宝传统的报销模式是采用手工报销,这个过程相对复杂,需要领导重重签字才可逐一完成。通过云之家智能审批,实现无纸化报销——业务部门可实现出差与费用申请、费用报销一体化管理,大大提供了财务运作效率。通过云之家,及时知会业务流程审批,加速企业信息流转,管理者可以利用移动流程审批,实现移动办公,提升决策效率,赢得了主动权。
05 项目价值 三大场景优势覆盖 模式化场景: ● 客户满意:迅速提升营销业务执行能力,提高客户满意度;通过系统制定更加合理的价格策略有效提升市场占有率和销售量; ● 带来商业模式变革:通过流向管控实现对渠道的有效管理,深化营销渠道管理模式; ● 建立一体联动的计划、物流、制造、财务高效执行体系模式; ● 通过产业平台的搭建,实现产业上下游高效协同,优化和提升价值链、供需链,提升产业竞争力。 数据化场景: ● 降低成本:通过精细化库存管理,提高库存管控能力和物流效率,降低库存成本; ● 财务核算及成本出具时间缩短到原来的50%,效率提升2倍; ● 存货周转率提高20%; ● 每月分析体系数据增加一倍,分析内容增加30%。 管理化场景: ● 流程优化:将供应链、生产环节流程进行梳理和优化,使各部门职责明确、分工科学合理; ● 流程与全责体系优化,基础管理体系进一步规范; ● 从数据孤岛到数据网络的改变。
06 数字化转型价值 五大能力提升 通过金蝶云·星空平台,通化东宝实现了EBC五大能力和五力成长飞轮的提升,其中, 获客力:通过客户流向数据管控平台,链接20多种商业公司平台,实现通化东宝流向数据70%无缝对接。 口碑力:通过销售业务管控,提升市场管控能力,防止串货、丢货情况发生,有效的稳定市场价格布局,提高各代理商服务体验。 交付力:过供应链和生产计划协同,实现生产全局控制,通过设备管理平台的搭建,实现了设备数字化管理;通过构建GSP管理体系,实现GSP台账等关键流程进行追溯。 收益力:通过金蝶平台,真正实现业财一体化。通过预算平台,实现对接研发数据、报表数据、在建项目数据,形成预算分析和管控;通过云星空平台链接数据分析工具,帮助公司高层管理者实时掌握企业动态。 转型金字塔:通过统一的信息化平台和移动互联平台,帮助通化东宝与时俱进,实现集团化管控数字化转型,将多组织业务协同,业财一体化、集团财务管控、GSP质量管控等管理理念落实到业务流程中,向集团化、标准化、数字化管理迈进了坚实的一步。
公司地址:上海市浦东新区盛荣路88弄1号楼314室
